










Sensor box - IDC24-SB


Product details
Model options
The Sensorbox comes in two models:
- Mounting with limit switchbox
- Mounting with Beacon

Mounting with limit switchbox
Can be mounted with any brand of limit switchbox that is equipped with a standard mounting form.
Actuator interface:
- NAMUR shaft
- F05/F08 EN ISO 5211
Switchbox interface:
- NAMUR shaft
- 80x30 VDI/VDC 3845
- F05/F07/F08 EN ISO 5211
Mounting with Beacon
Featuring a position sensor with a red/green beacon for clear visual indication.
Actuator interface:
- NAMUR shaft
- 80x30 VDI/VDC 3845
- F05/F07/F08 EN ISO 5211
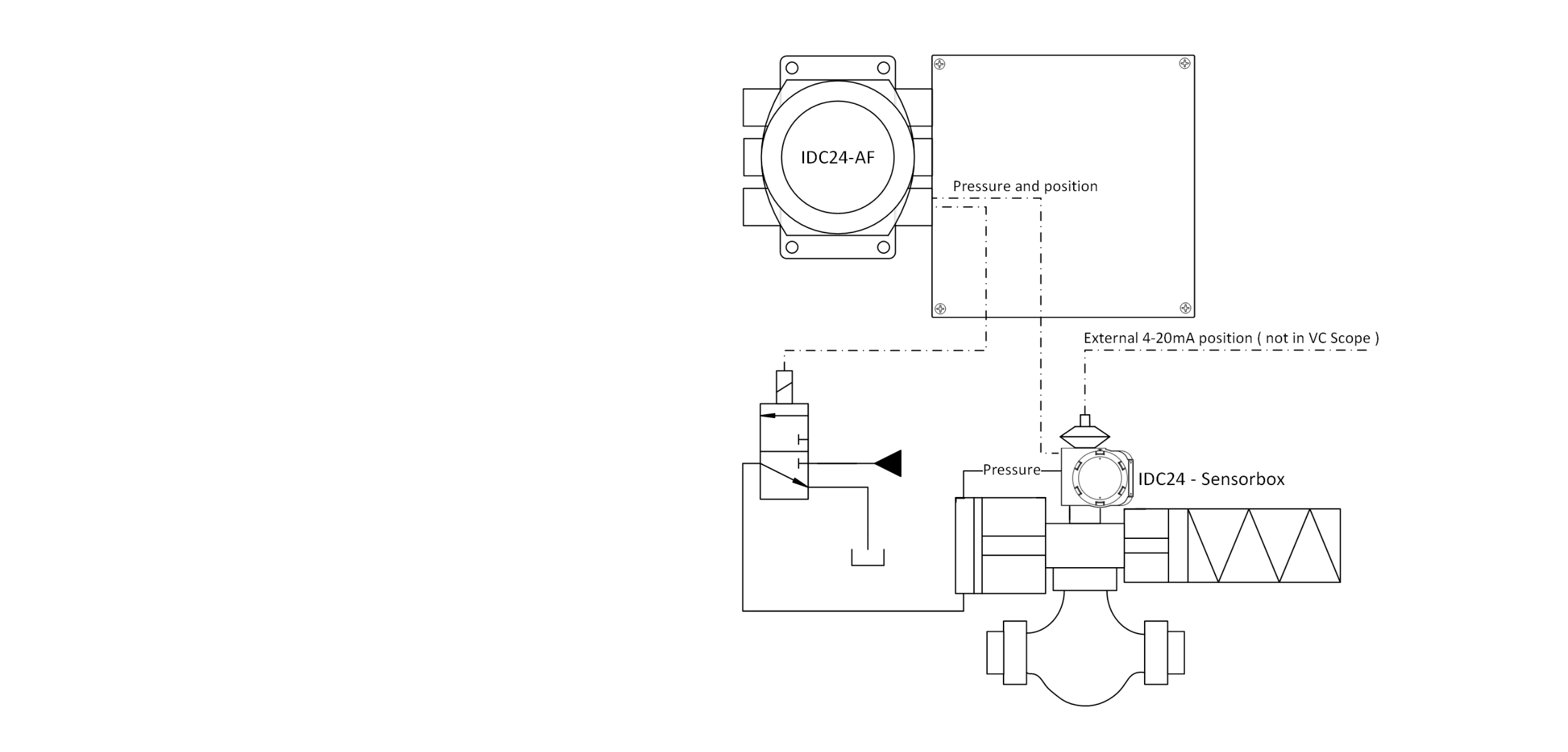
Sensorbox with IDC24-AF
The Sensorbox is designed to be used with the IDC24-AF models.

IDC24-SB - Sensorbox
The Sensorbox is mounted directly on the actuator.
Limit switchbox
It is possible to mount and extra limit switchbox or position transmitter on the top.
Pressure and position
Both pressure and position is send to the IDC24-AF and the IDC24-AF can be installed up to 50m away.
Easy pressure connection
The Sensorbox is installed so it is easy to connect the pressure sensor to the actuator chamber.
